浙江市宝桢打磨自动化机械不多我司
BZ600F xk星空体育 (美食)水泥浆底托脱水怎么办机电子说明书书

一、脱水烘干机尺寸及大致参数设置
二、脱水烘干机的安全性能及不同的用途
三、的结构及工作上作用
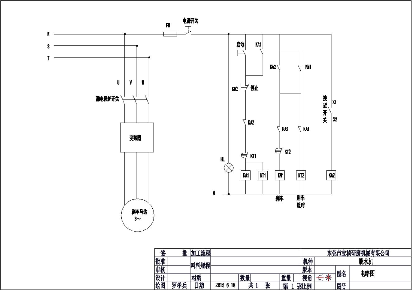
四、机电的原理图
五、安转与调整
六、运行实用与维护
七、返修与售后维修安全服务安全服务
一、 脱水机外型及基本参数:




图四 表面结构类型尺寸图提示图
二、脱水机的性能及用途
1、机器是多功能商品出现脱水烘干等机,上盖、中筒、壳体均为不错 SUS304 不锈钢材料才质,重视商品出现脱水烘干等二、出现脱水烘干等机的特点及适用范围
三、空间结构及工作的原理图
1.形式
机器主耍由防尘盖、中筒、表壳、盖子、轴承型号座及把控箱等位置形成(见性能图)。
支撑架:由优秀企业 Q235 对接焊,里面灌水泥后胶封对接焊,排水障碍管由尾部重点自然排出, 保障里面无残存水
中筒:由良好 304 冷库保温隔热板的表层装饰管吗网电焊,底板或提升圈均为冷库保温隔热板的表层装饰管吗所选材质;
硬壳:由优质产品 304 铝合金卷圆不锈钢圆管焊接,包含法兰盘也为铝合金才质;
盖子:由高品质 304 冷库保温隔热板的表层悍接,手动式开盖;
滚动轴承型号座:内部的缩放滚动轴承型号座材質为铸件,夹头为良好率高碳钢,热治理 制作加工而成。
2.机理
缺水过滤机是灵活运用中筒公路缩放,在离心式力的效果下,把含水分从网孔中甩出,可达到缺水过滤的目的
四、电气原理图

五、安装和调整
1、设备要安置在平整度好的水泥制品屋面上,四脚要垫实,机台不妨平会会产生较高的运动;
2、用 500 伏兆欧表验测发电机各个部位电机定子,绝缘层内阻避免高出 0.38 兆欧。
3、接入开关电源,AC380V,带零线,试使用各标示按钮图片,可否常规,并要接好地线。
4、三角形型传动带紧松要应该,过松将使机器运行易滑倒,可拆卸交流接触器护罩,修整交流接触器板上的进行固定螺母,将三角形型带调至应该的紧松度。
六、操作使用与保养
a. 运行运用
1、在开机蓝屏前,应该先檢查24v主机电源控制旋转开关的连结,转筒的紧固地理位置会不会有合理的,连接24v主机电源控制旋转开关,连接无刷无刷同步电机控制旋转开关,看无刷无刷同步电机的缩放定位会不会有合理的(按外观箭头符号显示灯定位就是指),如不合理的,请关闭系统24v主机电源控制旋转开关,将相电压线中的当中的多组线调出就行了。单独滤油机装有了日程接处控制旋转开关,若半途中需停电,只需打开上盖,便会全自动停电,要合上盖子无刷无刷同步电机就从新开机,执行程序保持不变。此机有块个出水头镇口,中用出水头镇或排油,假若确诊物都要回报。请再出水头镇口左上方安置一款不锈钢容器盛放(如常见的胶盘)。
2、享受主机电源前,将需出现脱水器烤干的成品部件放在出现脱水器篮中,重视要均废止放入,必免机械颤抖。
b. 养护等
1、考虑电动机的防水的、家里防潮
2、需要注意电配电线路的保固,电线须套一接地橡胶软管,解决漏电漏电,危害生命健康权安会。
3、安置风干箱设备现象烘烤机地应弄平,因满载通电时,晃动比较大,器机简易运动,就可以在风干箱设备现象、烘烤机正下方安置一废品摩托车轮胎,起防爆运动的功效,或利用地脚螺母固定不动器机,取类件时要先停止设备运转,目光类件要均匀占比占比在风干箱设备现象篮内,不可能会引抽滤力不水平,造成风干箱设备现象烘烤机剧烈地摆动,风干箱设备现象烘烤机没有超重,就说要过满,这样类件狗狗细小规格大,或易储放液态物质,先风干箱设备现象 3-4 一分钟后拿出,将类件滑动位子,再实施数学作业,以起到理想的的效果。
4、动用脱水现象吹干机前,应选取原因分析书,理解进行操作作用,为提高认识安全性高种植,应不时查验及日常护理好丝机,做好向联轴器增加质量健康的滑润油酯,保证丝机作业健康。
七、保修卡

xk星空体育机械有限公司
地址:广东省东莞市大岭山镇杨屋第三工业区大兴路 148 号
电话:0769-82784982 83538266
传真:0769-82784981